
產品名稱:Q14F/Q15F三通內螺紋球閥
產品標簽:球閥,三通內螺紋球閥
更新時間:2019/6/10 9:48:10
上一個產品: Q11Y內螺紋高壓硬密封球閥
下一個產品:Q41F46襯氟球閥
在線訂購:在線訂購
產品詳情
公稱壓力 |
2.5MPa |
適用穩定范圍 |
-20~232℃~350℃ |
螺紋類型 |
G.NPT.BSPT.BSP.DIN259/2999 |
Q14F型螺紋連接三通不銹鋼球閥適用介質 |
水、油、氣及某些腐蝕性液體(W。O。G) |
零件名稱 |
材質 |
閥體 |
不銹鋼CF8M/CF8 |
閥蓋 |
不銹鋼CF8M/CF8 |
球 |
不銹鋼CF8M/CF8 |
球墊 |
聚四氟乙烯PTEE |
閥桿 |
不銹鋼CF8M/CF8 |
填料 |
聚四氟乙烯PTEE |
中口 |
聚四氟乙烯PTEE |
大薄片 |
聚四氟乙烯PTEE |
壓緊螺母 |
不銹鋼CF8M/CF8 |
手柄 |
不銹鋼CF8M/CF8 |
流向指示牌 |
ALUMINUM |
華司 |
不銹鋼CF8 |
螺帽 |
不銹鋼CF8 |
鎖定裝置 |
不銹鋼CF8 |
皮套 |
塑料 |
盲蓋 |
不銹鋼CF8M/CF8 |
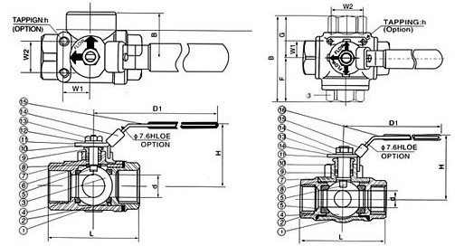
SIZE |
d |
L |
H |
D1 |
B |
W1 |
W2 |
h |
1/2" |
12.7 |
64 |
53 |
97 |
32.0 |
22.4 |
35.0 |
10-24UNC |
3/4" |
16.0 |
76 |
63 |
126 |
38.0 |
22.4 |
35.0 |
10-24UNC |
1" |
20.0 |
87 |
66 |
126 |
43.5 |
22.4 |
35.0 |
10-24UNC |
1-1/4" |
25.0 |
96 |
81 |
145 |
48.0 |
22.4 |
35.0 |
10-24UNC |
1-1/2" |
32.0 |
114 |
83 |
145 |
57.0 |
22.4 |
38.1 |
1/4-20UNC |
2" |
38.1 |
142 |
96 |
204 |
71.0 |
22.4 |
38.1 |
1/4-20UNC |
![]() |





