
產品名稱:Q41F法蘭式高平臺球閥
產品標簽:球閥,法蘭式高平臺球閥
更新時間:2019/6/5 15:21:41
上一個產品: Q41F不銹鋼法蘭球閥
下一個產品:Q41N/F液化氣天然氣專用球閥
在線訂購:在線訂購
產品詳情
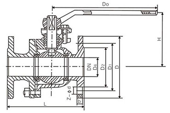
型號: |
Q41F-16P |
品牌: |
上海制發 |
材質: |
不銹鋼 |
連接形式: |
法蘭 |
結構形式: |
浮動球球閥 |
公稱通徑: |
15~450(mm) |
適用介質: |
水,氣,油, |
壓力環境: |
常壓 |
工作溫度: |
常溫 |
標準: |
國標 |
流動方向: |
雙向 |
驅動方式: |
手動 |
零部件及配件: |
閥體 |
用途: |
節流 |
類型(通道位置): |
二通式 |
作用對象: |
泵 |
公稱通徑DN |
15 |
20 |
25 |
32 |
40 |
50 |
65 |
80 |
100 |
125 |
150 |
200 |
L |
130 |
140 |
150 |
165 |
180 |
200 |
220 |
250 |
280 |
320 |
360 |
400 |
H |
59 |
63 |
75 |
85 |
95 |
107 |
142 |
152 |
178 |
252 |
272 |
342 |
W |
130 |
130 |
160 |
180 |
230 |
230 |
400 |
400 |
650 |
1050 |
1050 |
1410 |
Wt(Kg) |
2.5 |
3 |
5 |
6 |
7 |
10 |
15 |
19 |
33 |
58 |
93 |
160 |
PN2.5MPa
公稱通徑DN |
15 |
20 |
25 |
32 |
40 |
50 |
65 |
80 |
100 |
125 |
150 |
200 |
L |
130 |
140 |
150 |
165 |
180 |
200 |
220 |
250 |
320 |
400 |
400 |
550 |
H |
59 |
63 |
75 |
97 |
107 |
142 |
152 |
178 |
252 |
272 |
342 |
345 |
W |
130 |
130 |
160 |
230 |
230 |
400 |
400 |
700 |
1100 |
1100 |
1500 |
1500 |
Wt(Kg) |
2.5 |
3 |
5 |
6 |
7.5 |
10 |
15 |
20 |
33 |
60 |
93 |
175 |
![]() |
注:以上的產品介紹,參數,圖片,數據僅用于參考,如果需更準確的資料請咨詢公司技術服務熱線:18117208829





