
產品名稱:D671X/F不銹鋼氣動蝶閥
產品標簽:蝶閥,不銹鋼氣動蝶閥
更新時間:2019/5/28 9:53:49
上一個產品: D671X/F氣動對夾式蝶閥
下一個產品:D642X氣動軟密封蝶閥
在線訂購:在線訂購
產品詳情
公稱通經DN(mm) |
對夾式50-300 |
法蘭式50~2000 |
|
公稱藥理PN(MPa) |
0.6 |
1.0 |
1.6 |
密封試驗(MPa) |
0.66 |
1.1 |
1.76 |
強度試驗(MPa) |
0.9 |
1.5 |
2.4 |
適用溫度 |
丁腈橡膠:-40℃~90℃氟橡膠:-20℃~200℃ |
||
適用介質 |
水、空氣、天然氣、油品及弱腐蝕性流體 |
||
泄漏率 |
符合GB/T13927-92標準 |
||
驅動方式 |
蝸輪傳動、電動、氣動、液動 |
||
【D671X/F不銹鋼氣動蝶閥-主要零件材料】
零件名稱 |
材料 |
閥體 |
304、WCB、QT450-10、HT200、HT250 |
蝶板 |
304、WCB、QT450-10、HT200、HT250 |
閥軸 |
2Cr13 |
密封圈 |
丁腈耐油橡膠 |
填料 |
柔性石墨 |
制造標準 |
GB/T 122387-89 |
法蘭標準 |
GB9113-2000、GB17241.6-1998 |
結構長度標準 |
GB12221-89 |
檢驗標準 |
GB/T 13927-92 |
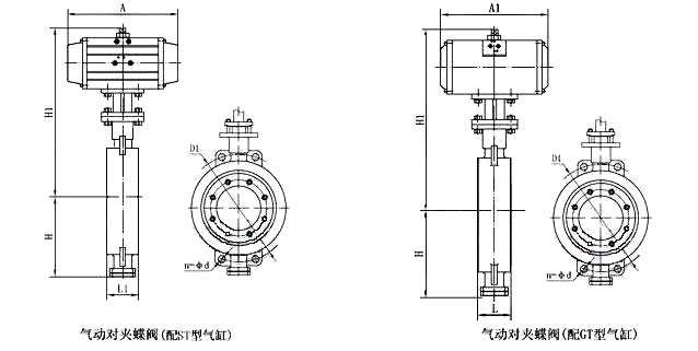
【D671X/F不銹鋼氣動蝶閥-主要外形尺寸】
DN |
L |
H |
HO |
A |
B |
0.6MPa |
1.0MPa |
1.6MPa |
|||
DO |
n-d |
DO |
n-d |
DO |
n-d |
||||||
50 |
43 |
63 |
235 |
270 |
110 |
110 |
4-14 |
125 |
4-18 |
125 |
4-18 |
65 |
46 |
70 |
250 |
270 |
110 |
130 |
4-14 |
145 |
4-18 |
145 |
4-18 |
80 |
46 |
83 |
275 |
270 |
110 |
150 |
4-18 |
160 |
8-18 |
160 |
8-18 |
100 |
52 |
105 |
316 |
270 |
110 |
170 |
4-18 |
180 |
8-18 |
180 |
8-18 |
125 |
56 |
115 |
340 |
310 |
110 |
200 |
8-18 |
210 |
8-18 |
210 |
8-18 |
150 |
56 |
137 |
376 |
310 |
110 |
225 |
8-18 |
240 |
8-22 |
240 |
8-22 |
200 |
60 |
164 |
430 |
353 |
150 |
280 |
8-18 |
295 |
8-22 |
295 |
8-22 |
250 |
68 |
206 |
499 |
353 |
150 |
335 |
12-18 |
350 |
12-22 |
355 |
12-26 |
300 |
78 |
230 |
570 |
380 |
150 |
395 |
12-22 |
400 |
12-22 |
410 |
12-26 |

注:以上的產品介紹,參數,圖片,數據僅用于參考,如果需更準確的資料請咨詢公司技術服務熱線:18117208829




