
產品名稱:D71F/D371F四氟密封對夾蝶閥
產品標簽:蝶閥,四氟密封對夾蝶閥
更新時間:2019/5/27 11:14:46
上一個產品: D71J/D371J襯膠蝶閥
下一個產品:D43H/D73H雙偏心蝶閥
在線訂購:在線訂購
產品詳情
公稱通徑 |
DN(mm) |
50~2000 |
||
公稱壓力 |
PN(MPa) |
0.6 |
1.0 |
1.6 |
試驗壓力 |
強度試驗 |
0.9 |
1.5 |
2.4 |
密封試驗 |
0.66 |
1.1 |
1.76 |
|
氣密封試驗 |
0.6 |
0.6 |
0.6 |
|
適用介質 |
空氣、水、污水、蒸氣、煤氣、油品等。 |
|||
驅動形式 |
手動、蝸桿蝸輪傳動、氣傳動、電傳動。 |
|||
D71F/D371F四氟密封對夾蝶閥主要零件材料
零件名稱 |
材料 |
閥體 |
球墨鑄鐵、鑄鋼、合金鋼、不銹鋼 |
蝶板 |
鑄鋼、不銹鋼及特殊材料 |
密封圈 |
各種橡膠、聚四氟 |
閥桿 |
2Cr13、不銹鋼 |
填料 |
O型圈、柔性石墨O |
蝶閥密封材料選用和適用溫度
材料品種 |
氯丁橡膠 |
丁晴橡膠 |
乙丙橡膠 |
聚四氟乙烯 |
硅橡膠 |
氟橡膠 |
天然橡膠 |
尼龍 |
英語簡稱 |
CR |
NBR |
EPDM |
PTFE |
SI |
VITON |
NR |
PA |
型號代號 |
X或J |
XA或JA |
XB或JB |
F或XC、JC |
XD或JD |
XE或JE |
X1 |
N |
耐最高溫度 |
82℃ |
93℃ |
150℃ |
232℃ |
250℃ |
204℃ |
85℃ |
93℃ |
耐最低溫度 |
-40℃ |
-40℃ |
-40℃ |
-268℃ |
-70℃ |
-23℃ |
-20℃ |
-73℃ |
適用工作溫度 |
0~+80℃ |
-20~+82℃ |
-40~+125℃ |
-30~+150℃ |
-70~+150℃ |
-23~+150℃ |
-20~+85℃ |
-30~+93℃ |
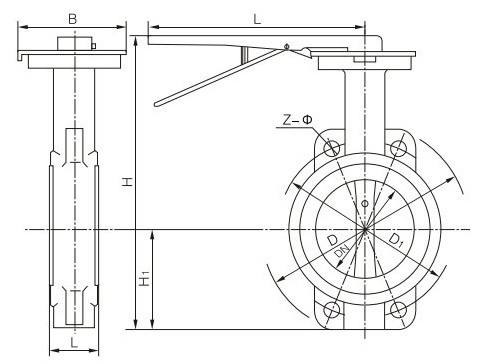
D71F四氟密封對夾蝶閥主要外形尺寸
公稱通徑 |
結構長度(標準值) |
外形尺寸(參考值) |
連接尺寸(標準值) |
|||||||||
0.6MPa |
1.0MPa |
1.6MPa |
||||||||||
毫米 |
英寸 |
L |
H |
H0 |
A |
B |
D0 |
n-d |
D0 |
n-d |
D0 |
n-d |
50 |
2 |
43 |
63 |
235 |
270 |
65 |
110 |
4-14 |
125 |
4-18 |
125 |
4-18 |
65 |
21/2 |
46 |
70 |
250 |
270 |
65 |
130 |
4-14 |
145 |
4-18 |
145 |
4-18 |
80 |
3 |
46 |
83 |
275 |
270 |
65 |
150 |
4-18 |
160 |
8-18 |
160 |
8-18 |
100 |
4 |
52 |
105 |
316 |
270 |
65 |
170 |
4-18 |
180 |
8-18 |
180 |
8-18 |
125 |
5 |
56 |
115 |
340 |
310 |
65 |
200 |
8-18 |
210 |
8-18 |
210 |
8-18 |
150 |
6 |
56 |
137 |
376 |
310 |
65 |
225 |
8-18 |
240 |
8-22 |
240 |
8-22 |
D371F四氟密封對夾蝶閥主要外形尺寸
公稱通徑 |
結構長度(標準值) |
外形尺寸(參考值) |
連接尺寸(標準值) |
|||||||||
0.6MPa |
1.0MPa |
1.6MPa |
||||||||||
毫米 |
英寸 |
L |
H |
H0 |
A |
B |
D0 |
n-d |
D0 |
n-d |
D0 |
n-d |
50 |
2 |
43 |
63 |
306 |
180 |
200 |
110 |
4-14 |
125 |
4-18 |
125 |
4-18 |
65 |
21/2 |
46 |
70 |
321 |
180 |
200 |
130 |
4-14 |
145 |
4-18 |
145 |
4-18 |
80 |
3 |
46 |
83 |
346 |
180 |
200 |
150 |
4-18 |
160 |
8-18 |
160 |
8-18 |
100 |
4 |
52 |
105 |
387 |
180 |
200 |
170 |
4-18 |
180 |
8-18 |
180 |
8-18 |
125 |
5 |
56 |
115 |
411 |
180 |
200 |
200 |
8-18 |
210 |
8-18 |
210 |
8-18 |
150 |
6 |
56 |
137 |
447 |
270 |
280 |
225 |
8-18 |
240 |
8-22 |
240 |
8-22 |
200 |
8 |
60 |
164 |
572 |
270 |
280 |
280 |
8-18 |
295 |
8-22 |
295 |
12-22 |
250 |
10 |
68 |
206 |
646 |
270 |
280 |
335 |
12-18 |
350 |
12-22 |
355 |
12-26 |
300 |
12 |
78 |
230 |
738 |
380 |
420 |
395 |
12-22 |
400 |
12-22 |
410 |
12-26 |
350 |
14 |
78 |
248 |
761 |
380 |
420 |
445 |
12-22 |
460 |
16-22 |
470 |
16-26 |
400 |
16 |
102 |
289 |
877 |
450 |
470 |
495 |
16-22 |
515 |
16-26 |
525 |
16-30 |
450 |
18 |
114 |
320 |
938 |
480 |
490 |
550 |
16-22 |
565 |
20-26 |
585 |
20-30 |
500 |
20 |
127 |
343 |
993 |
480 |
490 |
600 |
20-22 |
620 |
20-26 |
650 |
20-33 |
600 |
24 |
154 |
413 |
1131 |
480 |
490 |
705 |
20-26 |
725 |
20-30 |
770 |
20-36 |
700 |
28 |
165 |
478 |
1476 |
640 |
660 |
810 |
24-26 |
840 |
24-30 |
840 |
24-36 |
800 |
32 |
190 |
525 |
1533 |
640 |
660 |
920 |
24-30 |
950 |
24-33 |
950 |
24-39 |
900 |
36 |
203 |
585 |
1655 |
750 |
860 |
1020 |
24-30 |
1050 |
28-33 |
1050 |
28-39 |
1000 |
40 |
216 |
640 |
1765 |
850 |
900 |
1120 |
28-30 |
1160 |
28-36 |
1170 |
28-42 |
1200 |
48 |
254 |
755 |
1995 |
850 |
900 |
1340 |
32-33 |
1380 |
32-39 |
1390 |
32-48 |
1400 |
56 |
279 |
910 |
2310 |
1000 |
925 |
1560 |
36-36 |
1590 |
36-42 |
1590 |
36-48 |
1600 |
64 |
318 |
1030 |
2595 |
1000 |
925 |
1760 |
40-36 |
1820 |
40-48 |
1820 |
40-56 |
1800 |
72 |
356 |
1140 |
2810 |
1100 |
980 |
1970 |
44-39 |
2020 |
44-48 |
2020 |
4-56 |
2000 |
80 |
406 |
1250 |
3100 |
1100 |
980 |
2180 |
48-42 |
2230 |
48-48 |
2230 |
48-62 |
![]() |
注:以上的產品介紹,參數,圖片,數據僅用于參考,如果需更準確的資料請咨詢公司技術服務熱線:18117208829





